當前位置: 滾珠絲桿網 ? 1604滾珠絲杠 ? DFV1604滾珠絲桿
DFV1604滾珠絲桿
雷研精密傳動設備有限公司供應DFV1604滾珠絲桿【貨源充足、價格合理、原裝正品、品牌齊全】滿足客戶的需求。請需要DFV1604滾珠螺桿的朋友聯系:黃志杰(經理)? 聯系電話:15802034588。
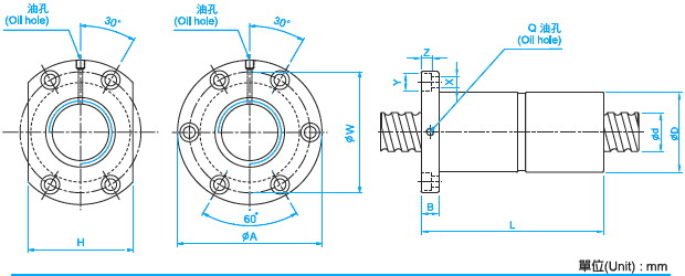
DFV1604滾珠絲杠參數
型號:DFV1604
絲桿外徑:15
導程:4
珠徑:2.381
螺母外徑:34
法蘭直徑:57
法蘭的厚度:11
螺母的長度:89
法蘭的寬度:34
珠圈數:2.7×1
動額定負荷:931
靜額定負荷:2285
剛性:42
圖紙下載:DFV1604滾珠絲桿圖紙PDF
使用步進馬達時的最小進給量
S = E*Ph*A/360
S:最小進給量,mm
E: 步進馬達和驅動器的步進角,度
Ph: 滾珠絲杠副的導程,mm
A: 減速比,即滾珠絲杠副轉速/電機轉速。
使用伺服馬達時的分辨率
S = Ph*A/B
S: 最小進給量,mm
Ph: 滾珠絲杠副的導程,mm
A: 減速比,即滾珠絲杠副轉速/電機轉速
B:角度測試儀和驅動器的分辨率,即每轉脈沖數,p/rev。
使用步進馬達時脈沖速度的計算
F = V*1000/S
F: 脈沖速度,Hz
V: 進給速度,m/s
S: 最小進給量,mm。
從上述兩式知道,
系統的最小進給量和滾珠絲杠副的定位精度是沒有關系的兩個物理量,在實際使用中不要誤認為系統的最小進給量越小則其絲杠相應精度也越高。要想使最小進給量實現更小(即提高系統的分辨率),可以: 1)相應提高步進電機和驅動器的細分數/伺服電機角度測試儀和驅動器的分辨率,2)減小絲杠的導程,3)改變減速比。
瀏覽DFV1604滾珠絲桿的用戶還會?
DFV1510滾珠絲杠、SFU5010滾珠絲桿等。
滾珠絲杠討論①群263545937(專家在線為你解答)歡迎你的加入!
版權所有 © 轉載時必須以鏈接形式注明作者和原始出處!


